玉环超川金属型材有限公司欢迎您! 今天是:
中文版
|
ENGLISH
首页
关于超川
产品中心
型材剖面
新闻中心
人力资源
联系我们
型材剖面
眼镜型材
冷加工系列
钉铰A系列
普通铰链J系列
弹弓壳T系列
弹弓前铰F系列
弹弓芯子X系列
缺角锁块K系列
其他铰链H系列
热加工系列
钉铰YA系列
普通铰链YJ系列
弹弓壳YT系列
弹弓前铰YF系列
庄头铰链YZ系列
组合铰链YW系列
其他铰链YH系列
钥匙胚型材
网站首页
>
型材剖面
>>
眼镜型材
>>
冷加工系列
>>
弹弓芯子X系列
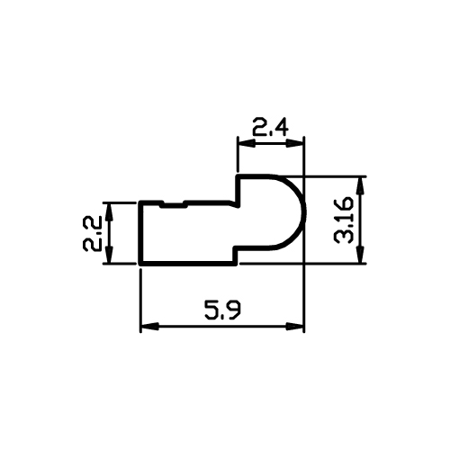
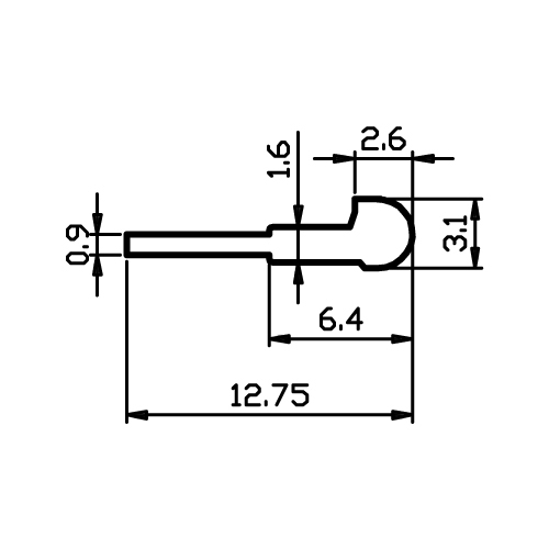
弹弓芯子X系列
X052
X051
X050
X049
X047
X046
X045
X044
X043
X042
X041
X040
首页
上页
15
16
17
18
19
20
21
22
23
24
下页
末页